INSTALLATION EXAMPLES: FARREL SLIDEWAY INFEED - PRE 1960 VINTAGE
ROLL GRINDER
COMPUTERIZED CROWNER RETROFIT SYSTEM
The ph
oto below shows a pre tilt infeed
1955 vintage Farrel roll grinder before the crowner retrofit. To change
crowns, the operator must position the wheel at center of the roll face, select
and install the correct
change gears for the roll being ground, relieve the weight on the cam using the
lift jack, manually adjust the cam eccentricity, and lower the wheelhead back
onto the cam.
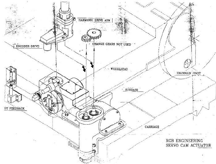
The schematic on the right shows the
modifications required with the RGB crowner retrofit system, and the photos
below show the same machine with these new parts installed. The Servo Cam
Actuator (SCA) utilizes the existing
cam drive train to tilt the wheel in and out. An absolute carriage
position encoder is belt driven from the "drive" change gear shaft. The
new servo motor connects through a harmonic drive reducer and a Ringfeder
keyless friction coupling to rotate the input worm. The cam is preset for
a fixed eccentricity large enough to provide the required infeed amount. A
LVDT provides position feedback of the tilting wheelhead to close the servo
loop. With this arrangement, the operator can set all the crown variables
at the FFG computer station. No manual adjustments are required. A
very important advantage of this design is that the original mechanical crown
drive arrangement remains intact ready to be used as a standby spare if ever
needed.
